CNew 408 #1 Posted February 23, 2019 Curious if anyone has, or has ever seen, the little O&R water pump called the One-By-One made by Lancaster or the Sno-Tiger (not sure who made it) which looks to be some sort of mini snow blower. Share this post Link to post Share on other sites
Wallfish 718 #2 Posted February 23, 2019 Never. Or, not yet Have heard of the Sno Tiger but not the pump. Share this post Link to post Share on other sites
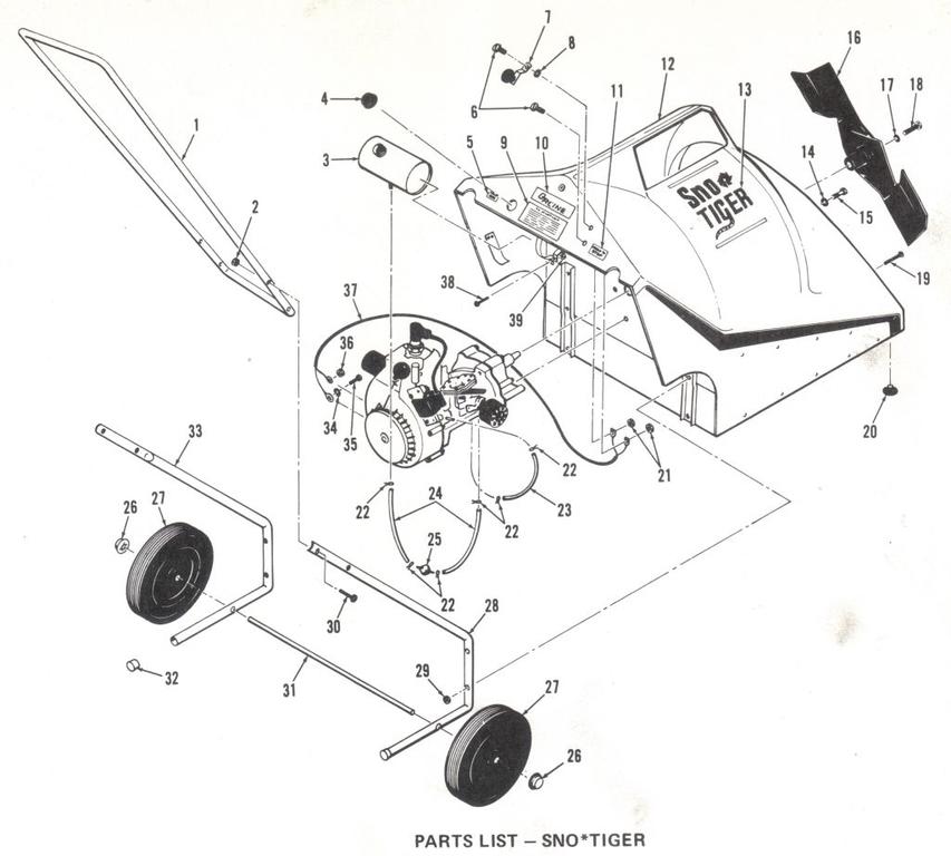
factory 487 #3 Posted February 24, 2019 Lancaster pumps are still in business, they did sell chainsaws with O&R engines but I've not yet seen a pump using one. Some history of Lancaster here, apparently C-B Tool Co were the manufacturer for Lancaster and they bought them out in 1978. http://vintagechainsawcollection.blogspot.com/2008/11/partner-c6-sweden.html Orline (O&R) made the Sno-Tiger, we haven't found a survivor yet, possibly because they are fairly large and the casing is supposedly made from plastic, I imagine they were probably all thrown out when the engine stopped working or the plastic fell apart. David Share this post Link to post Share on other sites
mattblack 76 #4 Posted February 24, 2019 That axle/handle set up doesn't look too substantial, I bet rust claimed a lot if they were put away wet. Share this post Link to post Share on other sites
CNew 408 #5 Posted February 24, 2019 I bet you’re right, between the flimsy frame and all the plastic shrouds they probably didn’t fair well. Would be fun to see a picture of a real one though... Share this post Link to post Share on other sites
factory 487 #6 Posted February 25, 2019 22 hours ago, mattblack said: That axle/handle set up doesn't look too substantial, I bet rust claimed a lot if they were put away wet. That's certainly possible, I've also had a thought that the plastic housing could be easily damaged if it ingested anything more solid than snow (i.e. stones). David Share this post Link to post Share on other sites
CNew 408 #7 Posted December 8, 2019 Just now catching up after being gone for the week in Europe. Did anyone on here get that Lancaster water pump off eBay? I didn’t have any connection while I was gone so couldn’t bid on it or anything. Share this post Link to post Share on other sites
factory 487 #8 Posted December 9, 2019 I've not been on here since last Tuesday and may be absent again for a couple of days over the next few weeks, I don't want to discuss why here. 22 hours ago, CNew said: Just now catching up after being gone for the week in Europe. Did anyone on here get that Lancaster water pump off eBay? I didn’t have any connection while I was gone so couldn’t bid on it or anything. I've moved the post about the Lancaster Pump from the Aquabug thread to here. I never saw it either, not been on ebay the last week either, hopefully someone on here got it. https://www.ebay.com/itm/193236843806 It appears to be the Lancaster MINI 1-BY-1 pump or MINI one-by-one water pump that we hadn't seen before (at the time this thread was created), by the way this pump is more commonly known as the Orline Gusher pump sold by O&R. David Share this post Link to post Share on other sites
CNew 408 #9 Posted December 9, 2019 I hated to miss that one, I go away for a week and miss it! Share this post Link to post Share on other sites
factory 487 #10 Posted December 9, 2019 Here are some of the pictures saved from the ebay listing, together with some of my Orline Gusher pump. Lancaster MINI 1-BY-1 pump / MINI one-by-one water pump. Orline Gusher pump Model 570. David 1 CNew reacted to this Share this post Link to post Share on other sites
CNew 408 #11 Posted December 9, 2019 Very nice, your pump in green is really cool! Share this post Link to post Share on other sites
Wallfish 718 #12 Posted December 9, 2019 I have one of those type also. As usual they were branded under many different names Share this post Link to post Share on other sites
CNew 408 #13 Posted December 10, 2019 John, What brand is your pump? Clint Share this post Link to post Share on other sites
Wallfish 718 #14 Posted December 11, 2019 Don't remember but it's blue. Blue pump red engine Share this post Link to post Share on other sites