Jump to content
BIGJOHNG2

Part interchangeability Comet pump

Recommended Posts

I've been asked check the internal diameter of the Orline pump, I will do when I have time.

 

Something I didn't mention, the pump was the same unit fitted to at least six different brands of pump with the O&R engine, including the Orline Utility pump (pictured above), Comet Tote'N pump, Petro Chug-A-Pump, Little Handy pump, Orion Manufacturing pump and Merc-O-Tronic Min-I-Pump. I have four of those and most can be found on the forum.

The Orline Utility pump instructions mention the OEM of the pump unit was Western Brass Works of 1440 North Spring Street, Los Angeles, unsurprisingly this company no longer exists and was dissolved in 1980, the building is now a church.

 

Also I've had a more detailed look at the two SPX Johnson pumps that use the impellers highlighted in a previous post.

The TA3P10 is a toilet waste pump and F3B-19 an oil change pump, according to the instructions that are on the web.

 

This chart is from the SPX "flexible impeller pump for marine usage" book here;  https://www.rosesmarine.com/pdfs/OEM_book.pdf

414953679_Screenshot2021-11-14at19-25-11OEM_bookpdf.jpg.339dd20a87b4e01d3b05c68418815ad2.jpg

 

Last night I also had a look to see if Jabsco made any impeller of the same size and unfortunately they don't have anything suitable.

 

David

Share this post


Link to post
Share on other sites

Years ago I remember replacing one. ( I think) Sucks get'n old cause I can't remember crap now!

What about searching any of those drill powered pumps which look to be about the same size? Think that's what I used but it's certainly possible it was modified to fit too.

Share this post


Link to post
Share on other sites

I've had a quick look tonight, not many drill pumps show the type of impeller fitted* and the few that do, show an impeller that fits on a splined shaft, not what we want.

 

*Possibly this is because they are cheap enough to throw in the trash & buy another complete pump. :yankchain:

 

David

Share this post


Link to post
Share on other sites

Alright. Just couldn't take not being sure any more so had to make 100% sure I'm not imagining the change of that pump impeller done years ago. Went out to open it up and verify.

Yup, it's a new undamaged still pliable perfect fit impeller. Think I got it out of an old drill type pump but that pump had a metal body like the Comet pump does. As far as I can remember anyway. Believe I may have used the metal cover off that drill pump too but now that's really stretching the memory gland! LoL Those type of metal body pumps don't seem to be available anymore but there's GOT to be some still out there somewhere. Unfortunately there are no part numbers or markings on the impeller at all. My eyes are now crap too but looked it over thoroughly with a magnifier.

 

IMG_0897.JPG.828451a42848ab209f6b757ea835f7ad.JPGIMG_0895.JPG.ef44518e0e9050a44954589fefcc9a91.JPG

 

Share this post


Link to post
Share on other sites

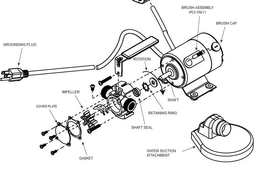
Wayne PC1 & PC2 pumps apparently use a smaller diameter impeller, listed as "Impeller dimensions: 1-3/8" Diameter, 1/2" Width D Shaped Key Hub for 5/16" Shaft" here;

https://www.amazon.com/Utility-Water-Transfer-Impeller-Replacement/dp/B06XDHJYVL/

 

There is still the possibility the whole pump assembly could be removed from the electric motor and adapted to fit one of these engines missing the pump unit, you would still need to make the shaft adaptor if the original was missing.

669593657_Screenshot2021-11-17at13-41-11WaynePC1OperatingInstructionsAndPartsManual(Page7of8)ManualsLib.jpg.6b800ae931753159b03bcd3f4adc7134.jpg

 

David

Share this post


Link to post
Share on other sites

Well the impellers I ordered are here, also included are some random bits for whatever modern equipment they fit.

DSC_6054a.jpg.5ed5e600887c27aa6b2d6394b750ab08.jpg

 

Comparison with the old one.

DSC_6055a.jpg.c5de2f9ae4506c6438faee6271f435ef.jpg

 

David

Share this post


Link to post
Share on other sites

The only shipping option turned out to be express, might have been a bit longer if they weren't available in Europe.

They should fit, will confirm at the weekend.

 

David

Share this post


Link to post
Share on other sites

Apologies for the rather long delay, the 09-843S-9 impeller impeller does fit, also easy to remove when you need to store the pump.

The paper gasket in the SPX impeller kit is no use, as the holes don't line up, you would need to make a new one if needed.

DSC_7040a.jpg.97ea08030799a63d8f2d78e8ee8f4267.jpg

 

I seem to recall someone asked for measurements of the pump body too, this one measures at 1.76" internal diameter and the shaft is approx 0.307" in diameter. The new impeller should be 1.78" diameter & 0.31" shaft diameter according to the spec in post #24 .

DSC_7038a.jpg.c2b92c9042db95ce6ac33e58d8defb36.jpg

 

DSC_7039a.jpg.a03a17c855ba5097d1b0b5e462ca2e4e.jpg

 

David

Share this post


Link to post
Share on other sites

Create an account or sign in to comment

You need to be a member in order to leave a comment

Create an account

Sign up for a new account in our community. It's easy!

Register a new account

Sign in

Already have an account? Sign in here.

Sign In Now

×
×
  • Create New...