nigel 1,881 #1 Posted January 22, 2014 ive had a few of these little usa built mustangs and played around with them Share this post Link to post Share on other sites
Ian 2,417 #2 Posted January 22, 2014 That's a nice little collection of little tractors Nigel. It's also nice to see a machine that's not red in the ride on's area Share this post Link to post Share on other sites
neil 524 #3 Posted January 22, 2014 they are cool Nigel , do you still have any of those left or have you sold them all? Share this post Link to post Share on other sites
nigel 1,881 #4 Posted January 22, 2014 they are cool Nigel , do you still have any of those left or have you sold them all? be honest neil i dont know i will have a look tommorow Share this post Link to post Share on other sites
pmackellow 2,738 #5 Posted January 22, 2014 Have you still got the 8hp one you had off me Nigel ?? Share this post Link to post Share on other sites
meadowfield 1,901 #6 Posted January 22, 2014 Cute, I want mrs tang Share this post Link to post Share on other sites
amcrules00 24 #7 Posted January 26, 2014 I like the round hood on the last one. Share this post Link to post Share on other sites
squonk 71 #8 Posted January 27, 2014 Train's a comin! Share this post Link to post Share on other sites
meadowfield 1,901 #9 Posted January 27, 2014 Choo choo, looks like something Nigel would knock together Share this post Link to post Share on other sites
Charlie Smith 192 #10 Posted January 27, 2014 Well well, I have been put to shame aha seems as if I really must get my butt in gear and get my mustang looking as good as these above! Mines looking rather unwell at the moment! 1 jparkes43 reacted to this Share this post Link to post Share on other sites
nigel 1,881 #11 Posted January 27, 2014 hi charlie ive probaly got a few bits for mustangs kicking about if you need anything just give me a shout has yor chassis rail cracked? Share this post Link to post Share on other sites
nigel 1,881 #12 Posted January 27, 2014 Have you still got the 8hp one you had off me Nigel ?? its the one with the trailer paul went to a little boy for christmass Share this post Link to post Share on other sites
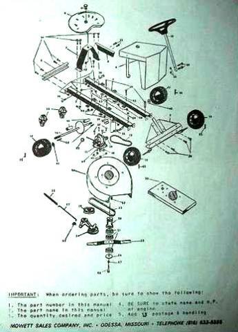
mowerdar 98 #13 Posted January 27, 2014 has any one got an idea of size or a part number for the drive belt mines snapped into a million pieces Share this post Link to post Share on other sites
nigel 1,881 #14 Posted January 27, 2014 this might be some help Share this post Link to post Share on other sites
pmackellow 2,738 #15 Posted January 27, 2014 its the one with the trailer paul went to a little boy for christmass Bet he's a very chuffed little boy then !! Share this post Link to post Share on other sites
squonk 71 #16 Posted January 27, 2014 There is allegedly a brand new Mustang sitting in a crate in Florida. Last I knew owner wanted $1000 for it. Share this post Link to post Share on other sites
nigel 1,881 #17 Posted January 28, 2014 There is allegedly a brand new Mustang sitting in a crate in Florida. Last I knew owner wanted $1000 for it. cor thats a lot considering they were still being made in the 80s Share this post Link to post Share on other sites
neil 524 #18 Posted May 10, 2014 Just bought this little chap, don't know too much about him yet other than he is running , requires a deck and a new fuel pipe. I pick him up next week ,more pics to come 4 pmackellow, mowerdar, Ian and 1 other reacted to this Share this post Link to post Share on other sites
Ian 2,417 #19 Posted May 11, 2014 That's a nice little find Neil. What are your plans for it? Restore or run her as she is? Share this post Link to post Share on other sites
jetmedix 2 #20 Posted May 17, 2014 Just finished this one for my son. Cool little tractors. 2 pmackellow and sten reacted to this Share this post Link to post Share on other sites
Ian 2,417 #21 Posted May 17, 2014 Hi Jetmedix welcome to myoldmachine, good to have you aboard. I like the mini Farmall look, it works well with those meaty rear tires I bet your son loves driving it Share this post Link to post Share on other sites
C-101plowerpower 548 #22 Posted May 19, 2014 welcome to mom jetmedix, nice looking 806 you got there i'm missing a nice stack tho Koen Share this post Link to post Share on other sites
neil 524 #23 Posted May 19, 2014 i picked my mustang up on sat morning from Sandhurst & i have now brought her home to somerset pics to follow soon Share this post Link to post Share on other sites
pmackellow 2,738 #24 Posted May 19, 2014 5 or 8 horse Neil ?? Looking forward to the photos Share this post Link to post Share on other sites
neil 524 #25 Posted May 19, 2014 its an 8 Paul , i drove it round the garden this afternoon & it pulled well , even with my big fat arse on it Share this post Link to post Share on other sites