Wallfish 718 #1 Posted January 29, 2020 Found this compressor and engine but it's obviously not the Orline style. Came with a paint gun too It's missing the engine mount but I'm thinking this might have been an electric motor model. IDK Wondering if @JUST O&R Terry is up for the challenge of making a motor mount? 2 pmackellow and CNew reacted to this Share this post Link to post Share on other sites
factory 487 #2 Posted January 29, 2020 That is an earlier speedy sprayer, both this version and the later one (as used with the Orline version) were sold without the electric motor, the mounting holes with adjustment for the compressor, allowed fitting for most 1/4 HP electric motors. David Share this post Link to post Share on other sites
JUST O&R 237 #3 Posted January 30, 2020 Just get me the dimension of the lower plate and I will whip up something that will work . need to know how high off the base it needs to be. Share this post Link to post Share on other sites
CNew 408 #4 Posted January 30, 2020 That’s cool, nice find! Share this post Link to post Share on other sites
factory 487 #5 Posted January 30, 2020 Have you got a Model H or Type 195 engine? A base mount gas tank could be used with these engines. The Orline version used a 1700 RPM Type 216 engine, which is almost the same as the Type 195, apart from the position of the gas tank. David Share this post Link to post Share on other sites
JUST O&R 237 #6 Posted January 30, 2020 That's a great idea David that would probably work great .Glade your back Share this post Link to post Share on other sites
Wallfish 718 #7 Posted January 30, 2020 I do have some base mount tanks but it would still need to be supported at the PTO shaft or it will break off those little tabs. Think it's also possible to turn the compressor so the shaft is 90 deg and then reposition the handle and air output to where they are now. It would probably look cooler with pulleys and a belt but... Share this post Link to post Share on other sites
JUST O&R 237 #8 Posted January 31, 2020 On 1/30/2020 at 5:42 PM, Wallfish said: I do have some base mount tanks but it would still need to be supported at the PTO shaft or it will break off those little tabs. Think it's also possible to turn the compressor so the shaft is 90 deg and then reposition the handle and air output to where they are now. It would probably look cooler with pulleys and a belt but... You could put a foot on the gearbox side if you used a base mount tank and want the belt system. OR use a base mount tank and see what the center line of the shaft on the compressor. Maybe shim the engine or compressor to match and use a coupler to connect them . Although it may spin to slow Share this post Link to post Share on other sites
Wallfish 718 #9 Posted February 4, 2020 Will this work Terry? there's 3 total pieces. Let me know if anything doesn't make sense. Do you have a gearbox with the same shaft position? Away from the engine? A base mount tank doesn't really work unless there's a plate made to mount to the base and wide enough for the tank mount holes. Share this post Link to post Share on other sites
JUST O&R 237 #10 Posted February 4, 2020 John does the mounting bracket to the block need to be centered. I see you have some movement from side to side. Just need to make sure your belt lines up. My h engine has the same gearbox so that's will be simple. Share this post Link to post Share on other sites
JUST O&R 237 #11 Posted February 4, 2020 The h engine is not the same but I think the f that I have is I sent you a message to get specifics. Share this post Link to post Share on other sites
JUST O&R 237 #12 Posted February 4, 2020 I thing the shaft on the f is in a different location. Share this post Link to post Share on other sites
JUST O&R 237 #13 Posted February 4, 2020 john Where getting there just have a few questions. Share this post Link to post Share on other sites
Wallfish 718 #14 Posted February 4, 2020 The engine is centered to the existing mounting holes in the base so both of those pieces are the same, just mirrored. And what you have pictured looks good! The front mount sits centered to the mount holes but the holes for the gear box will need to be offset to the left, just like the shaft is in the engine you have pictured. That;s the same gear box. I can drill the holes for the gear box mount The engine mount will be able to slide in the mount so I will line up the pulley before drilling holes to mount the gear box plate. There's also some adjustment on the shaft for the pulley. I can call you about 8 pm if that works Share this post Link to post Share on other sites
CNew 408 #15 Posted February 5, 2020 4 hours ago, JUST O&R said: Man, that is awesome! Ya know Terry those brackets would be great for displaying these little engines. Keep the pattern and dimensions once you get it all figured out- I might buy a couple sets from you at some point. You’ve got quite the knack for metal fab! Share this post Link to post Share on other sites
JUST O&R 237 #16 Posted February 5, 2020 John it was great talking to you last night I thing my wife hates this things I spend more time with these then with her. Got the brackets for the engine done centered up looks good. Side plate you have 5 3/8 square corner pic 1This looks a little to big . I cut the template down a little and rounded the corners pic 2 let me know what you think ( this pics have my f engine so that's what it should look like ) Share this post Link to post Share on other sites
Wallfish 718 #17 Posted February 5, 2020 Enjoyed talking with you too. My wife is the same way. I just tell her she needs a hobby then she won't care. LoL Looks great! And thanks again for your help. And you might as well just send me that little NOS engine too! 1 JUST O&R reacted to this Share this post Link to post Share on other sites
JUST O&R 237 #18 Posted February 6, 2020 Well I think I will let that j engine sit on the shelf. I will get that plate done and on its way soon. Clint is going to be in SC next week and he is stopping buy on the way threw. I will send the brackets with him. They might be like the gaskets thew we may never see them again They will be on the way soon. 1 Wallfish reacted to this Share this post Link to post Share on other sites
CNew 408 #19 Posted February 6, 2020 Heard from Eric today, looks like the gasket paper and NOS gaskets arrived ok. He said getting good measurements on those little paper gaskets is a real challenge so he might end up cutting a couple test versions out of thicker material for me to test for fit. Then if everything fits right he will cut the rest of them. Then I can get John’s NOS gaskets back in the mail to him Share this post Link to post Share on other sites
JUST O&R 237 #20 Posted February 6, 2020 John got the bracket done just got to clean it up and paint it pink for you. It will go out tomorrow do you need anything? did you have old stock decals I have a nos 1hp compact III and a recoil one looks purple but it should be black. I guess it only 55years old that if you still would like to ck into getting some made? 1 CNew reacted to this Share this post Link to post Share on other sites
Wallfish 718 #21 Posted February 6, 2020 3 hours ago, JUST O&R said: paint it pink for you with yellow Poka Dots please! Looks good and thanks again. I'll need to paint'm silver hammered tone like the base is. I have a newer style recoil decal , Gold color with the patent #s on the right side, probably could use pics for the older styles and just pick one of them since there are a couple versions. So one newer style, one older style both in silver if that's good. If you want to send me both the recoil & 1HP decal, I'll ask about doing some entire set ups with recoil, bird, HP for 3/4 and 1 and the stop switch. Share this post Link to post Share on other sites
JUST O&R 237 #22 Posted February 6, 2020 We well send what I have . I have no yellow but we can do red if that's ok seriously I will send you the mounts tomorrow just need to paint them . gear box bracket needs to be drilled . we need to see pics . Share this post Link to post Share on other sites
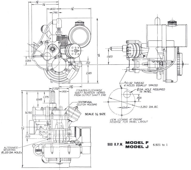
factory 487 #23 Posted February 7, 2020 (edited) On 2/4/2020 at 6:28 PM, JUST O&R said: The h engine is not the same but I think the f that I have is I sent you a message to get specifics. The H has a single reduction gearbox and the F/J has a two stage reduction gearbox, hence the difference in the mounting, I have outline drawings with the dimensions which would have helped (a bit late now). David P.S. The brochure leaflet the above pictures are from doesn't mention the gearbox PTO shaft direction changes with the two different gearboxes. Edited February 7, 2020 by factory Extra Info Share this post Link to post Share on other sites
factory 487 #24 Posted February 7, 2020 Outline drawing for the Model F & J. David Share this post Link to post Share on other sites
JUST O&R 237 #25 Posted February 7, 2020 David now that would have been real helpful a few days ago You must have seen the shaft hole was a little off. Made the template and them put it on the wrong side of the bracket for the shaft. I then had to make the hole bigger so the shaft fit. thanks David never looked at the drawings Share this post Link to post Share on other sites