Jump to content
Brian Lynch

O&R 13B. (Groomer trimmer)

Recommended Posts

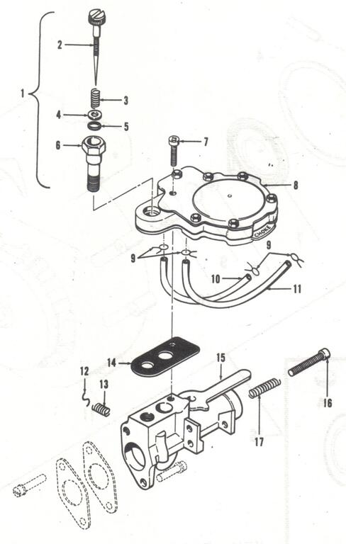
What is this crankcase port? And what would it be used for? Never saw that one before.

The carb diaphragm will not pump fuel with a breached case and oil would probably spit out and or dirt and dust sucked in if it were just left open.

Share this post


Link to post
Share on other sites

I think my Groomer engine has one of those ports too, I’ll have to check. The groomer engine I have used the Tillotson carb as well which may operate differently than the standard O&R carb.

 

Share this post


Link to post
Share on other sites
4 hours ago, Wallfish said:

What is this crankcase port? And what would it be used for? Never saw that one before.

The carb diaphragm will not pump fuel with a breached case and oil would probably spit out and or dirt and dust sucked in if it were just left open.

 

See post #6 on the previous page, it's for the tube going to the fuel pump on the Tillotson carb which uses pulses from the crankcase.

 

It's possibly also used for the rarely seen O&R carb with the double diaphragm (anyone got one they want to sell?), maybe most got converted back to a standard carb & the hole blocked up. :dunno:

By the way I found a second crankcase with the same blocked port, at least one of them looks to have come from a chainsaw.

DSCN4499a.jpg.550399dc98df1e9bb0b5bd90f4c9feae.jpg

 

1793752816_OhlssonRiceType240EngineDiagramPartsListAug70Page4a.jpg.ef3118be6b488a95ca40d875b33c2638.jpg

 

David

Share this post


Link to post
Share on other sites

Well I think I've found why that O&R double diaphragm pump assembly isn't seen, it's part no. #400016 which is shown on some parts list dating from Jan 1970.

976315751_ORcarbdiaphragmpumpassembly400016.jpg.b557047a3cd23468d515fee24dfeb0f4.jpg

 

It looks to have been quietly dropped from use, as the master price list supplement from Apr 1971 says to use part no. #400175 (no description of the part), but I found a picture of this part I saved from the web and surprise surprise it's a standard diaphragm pump assembly.

1127507210_400175Carb.jpg.591bd498b801f87fdb2fd86fd652b5e4.jpg

 

David

Share this post


Link to post
Share on other sites

If you look at the pix I posted of my 13B you will see the line going from the crank case to the pumping port on the Tillotson HU carb. The drilled port on your crankcase is for this purpose.

Share this post


Link to post
Share on other sites

That's exactly what I'm going to use it for, I have a NOS Tillotson carb from Webhead and the correct induction housing to fit it to the crankcase I just found, it's saved me having to modify one of the complete engines from my collection, I'm going to see if I can build the engine from my spares, I think I have everything apart from the later style starter.

 

The pictures of your engine are a great help to see which parts are used. :thumbs:

 

David

Share this post


Link to post
Share on other sites

Ah Ha. on the hole.

I do remember seeing a service bulletin about removing those double diaphragm carbs and replacing with a normal carb. Never have seen one of those doubles yet. 

Share this post


Link to post
Share on other sites

There are gaps in the service bulletins I have, that must be one of the missing ones, also I have none later than SE103.

The only double I've seen so far is the one on Webhead's Orline Chromer chainsaw;

David

Share this post


Link to post
Share on other sites

A bit of progress on the trimmer engine build.

Here is the crankcase after cleaning together with the NOS Tillotson carb & induction housing.

DSC_1193a.jpg.f777bde846f840c4e9fd083398af047d.jpg

 

I found some brass tubing for the crankcase pulsation port, the tubing is from a scrap wafer switch (which had been drowned along the the item it came from), luckily it's a very close fit to the hole in the crankcase.

DSC_1196a.jpg.8524662a032b1a1b630663ee6e9b41be.jpg

DSC_1195a.jpg.753399cbee0d9ecdbfd0825def4a0ff8.jpg

 

To fit the tubing I used a blowtorch to heat up crankcase to expand the hole & allow the tube (cold) to be pushed enough to for an interference fit once everything cooled down.

DSC_1197a.jpg.0135815b3bda04cb2c7f0cedbcfa8612.jpg

 

A cut-off wheel in the Dremel cut the tube down in size and the internal & external edges were de-burred, I had to clean the crankcase second time to remove oil & swarf.

DSC_1198a.jpg.9b63773b9727dea548fe63a3fa46a859.jpg

 

Fuel line fits perfect, need to order some more though.

DSC_1199a.jpg.438133ee1d9cb1b0a1b3656c747d2d58.jpg

 

David

Share this post


Link to post
Share on other sites
36 minutes ago, CNew said:

Do you have parts to complete a trimmer?

 

Only the parts shown in post #23 on the previous page, plus a few other unidentified spacers & fittings, I'm on the look out for used trimmer parts from other brands that may do for the trimmer head.

 

I've got most parts for the engine, apart from a series 13B type starter (may have to use one from another engine till I can find another), also need to repair another magneto coil.

 

David

Share this post


Link to post
Share on other sites

All of the chasing down parts for my 13B have proven fruitless so far. Most of the leads pan out to be the old Homelite trimmers with the engine down low like the 13B. I've come to the conclusion that these trimmers are quite on the rare side. There are probably very few left out of the production run. In the meantime, I'm still lookin'!

Share this post


Link to post
Share on other sites
15 hours ago, Brian Lynch said:

I've come to the conclusion that these trimmers are quite on the rare side. There are probably very few left out of the production run. In the meantime, I'm still lookin'!

 

Your right, only one complete trimmer seems to have been found and there were three engines sold ePay from someone that acquired them when AEP closed down, they got re-sold by a trader on ePay & CNew bought one of them. The trader put an incorrect 13A starter on one of them too :banghead: , did anyone buy that one?

z3aa.jpg.46965b59aec39d0dcef44697feb1e1bf.jpg

 

They were made in the last few years of AEP, probably not many got sold* and hence little to do with these trimmers has survived.

*I would imagine most of them got put in the trash once AEP closed down & parts became unobtainable.

 

David

Share this post


Link to post
Share on other sites

Like weed eaters today - you’re probably right, as soon as the O&R Groomers crapped out they got tossed to the garbage.

Share this post


Link to post
Share on other sites

I've had one of those days where you go one step forward & two or three back.

 

Here are most of the parts I had found for building this engine, the new parts are outside the trays on the right.

DSC_1224a.jpg.de0743d96c6f73157bb7321ea145fb1e.jpg

 

The crankcase was assembled with the crankshaft, con-rod, piston & magneto coil plate, then came the first problem, I would normally hold the crankcase in the vice when screwing the cylinder down, unfortunately the port tube in the crankcase mounting flange prevented me from using the pieces of wood I usually fit to prevent damage from the vice jaws.

A lot of searching for something else I could use found a brass earth terminal strip, removing one of the screws allowed the tube to be protected.

DSC_1225a.jpg.626f5dcbd4e7fdef7ef6a4755c154e1b.jpg

 

Here's where things went a bit wrong, I found I couldn't get the cylinder to screw down fully, I tried several times but it kept getting stuck part way. I then thought either the crankcase or cylinder might have damaged threads, I first tried the cylinder on another crankcase and it fitted fine.:banghead: 

The part built engine got stripped down again & I went through the other used cylinders I had, eventually I found one that fitted, ironically it was the one that originally came with the crankcase, I had picked another because the top fin had a piece broken off.

 

After this I needed to clean some of the parts again, it got reassembled to the point I was at before and this time thankfully the cylinder screwed all the way down with no problems. The exhaust collector was positioned at 90 degrees and I checked a starter would fit, this is as far as I've got today.

DSC_1227a.jpg.3ace711d53468edb684b9c9c2496e735.jpg

DSC_1226a.jpg.e3535b2f6b97715358242a287be19059.jpg

 

David

Share this post


Link to post
Share on other sites

Nice progress David!  I like the use of the terminal block as a vice spacer for the tube... glad the cylinder finally screwed back on.

Share this post


Link to post
Share on other sites

I've no idea what the terminal blocks are from, I got given them and they've been waiting in one of the parts boxes on the shelf ever since.

No progress yesterday, got very distracted by the arrival of a scarce HP oscilloscope from the late 1950's.

 

David

Share this post


Link to post
Share on other sites

More progress & problems with this engine, the magneto & flywheel got assembled with no problem, the coil is currently still the wireless model (I intend to repair a couple at the same time to avoid wasting too much araldite).

DSC_1267a.jpg.f54ee8182dfd5ed85b20f0a86c3bc8aa.jpg DSC_1269a.jpg.b9d51c93259aa866fa4c88bb1c14f801.jpg

 

The induction/PTO assembly is where the problems are, it got assembled but when fitting it to the crankcase I found that it doesn't go in far enough, there appears to be minor differences in the crankcase (older) & induction/feather valve assemblies (newer). I'm really not sure what to do at the moment, it's been shelved while I have a think, I'll probably need to disassemble it again to investigate.

DSC_1263a.jpg.7b14b9cf80beeb3bdee08c25897feb44.jpg DSC_1265a.jpg.469b7d036015d5d0c2a82902eac1925d.jpg

 

DSC_1266a.jpg.a10bd24f27264e43ac3a965ee54222f1.jpg DSC_1270a.jpg.663b602f3fdae63e8cad9db8ed733a0a.jpg

 

David

 

P.S. I though I had plenty of screws for the induction housing/mounting flange but turns out the size I ordered doesn't fit every type. :banghead:

Share this post


Link to post
Share on other sites
3 hours ago, factory said:

I'll probably need to disassemble it again to investigate.

Does the crank still turn when those screws are tightened?

If not, it's most likely a roller came out of the cage. That's happened to me a couple of times.

Share this post


Link to post
Share on other sites

It does turn over fine, I have noticed in a certain position the end play you normally get with the shafts disappears, I put a used PTO shaft in the engine, but have now noticed the counter weight of the only NOS one that came with these parts is very slightly thinner than the older ones.

 

I had a quick look inside another late engine with that type of feather valve assembly and noticed there also seems to be a slight difference in how far they bored out the crankcase for the feather valve.

 

David.

Share this post


Link to post
Share on other sites

David,

   I wasn’t sure if I should start a new dedicated thread for this O&R Groomer Model Landscaper 600 or just add it to this thread. Let me know if you think I should start a separate thread.

 

 

C913433E-0091-487E-B722-66A5C0F3EFE8.jpeg

7F6E9F13-FE7D-47EB-883E-F2BD9BB5EA56.jpeg

5D872E6D-B0D3-440D-8114-D15021351ABA.jpeg

45F3868C-2A04-4A08-8CF0-B8542AD2106F.jpeg

AC4F1570-71BE-48DB-B339-B3558620EF07.jpeg

995898F3-9048-4AC7-8803-5AB7344DE046.jpeg

EE2CFADD-57E3-4C38-A46E-508FEE45587F.jpeg

Share this post


Link to post
Share on other sites

Yeah, worked with a really nice guy on it and it all worked out. It will be fun to go through this and get it all cleaned up and operating. Nice that it appears to be 100% complete.

Share this post


Link to post
Share on other sites

Create an account or sign in to comment

You need to be a member in order to leave a comment

Create an account

Sign up for a new account in our community. It's easy!

Register a new account

Sign in

Already have an account? Sign in here.

Sign In Now

×
×
  • Create New...