Jump to content
Fishnuts2

O & R Carburetor operation

Recommended Posts

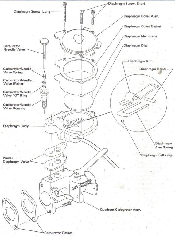
I'm puzzled as to how the carb pumps fuel from the tank to itself for metering into the motor.  It only has two diaphragms, one for keeping the proper amount of fuel in the body, and the other I presume is for pumping fuel.  BUT...All the carbs I have worked with have a pulse port from the engine to a pulse chamber to pump fuel.  I can't find any pulse port or passageway, neither in the motor or the carb body.  I'm thinking if it relied on the pulse in the intake tract, it would be useless if the throttle was opened wide.

 

Any ideas?

Share this post


Link to post
Share on other sites

So if I understand this right, the fuel is pulled in through gravity, or is siphoned in from the fuel tank by the diaphragm body cavity and then past the needle valve to the motor.

 

When priming the carb, fuel is pushed past the ball valve and past the Primer Diaphragm one way valve, thus forcing fuel past the Needle valve and into the throat of the carburetor.  I had been thinking that the primer diaphragm valve was some sort of a fuel pump.

 

All I can say is that it is not conventional, but seems to work if the diaphragms are flexible!

Edited by Fishnuts2
Added text.

Share this post


Link to post
Share on other sites

The diaphragm pumps fuel. The tank can be lower than the carb. This is my best guess.

Pulse of the vacuum pressure from the case flexes the diaphragm to pump fuel and the amount of air flow past the jet pulls in the fuel. The needle valve meters the amount of fuel being taken.  More air past the jet equals more suction which equals more fuel. More fuel and more air equals higher rpm. The amount of air is metered by the butterfly valve inside the carb body. The butterfly is metered by the governor vein. The governor vein is metered by air flow from the flywheel speed. There are also reed valves inside the engine which control the vacuum and positive pressure of the piston moving inside the case. It's all in the precise timing of the components. At full blast it all happens at 6300 times a minute or 105 times a second.

The choke helps with starting to pull fuel with the vacuum from the case because you can't pull it fast enough for the air flow past the jet to do it. Same for the primer button, it's a bump for the fuel for starting only. But once that spark happens in the chamber with fuel in there, pow, things move quickly.

Hope this helps.

 

 

777183029_OhlssonRiceMaintenanceManualPage27F2a.jpg.bd97c8c82dbdf6c83f70e81f14671efd.jpg.a0adb6b7e334d4ab82251e4cbc505473.jpg

Share this post


Link to post
Share on other sites

Create an account or sign in to comment

You need to be a member in order to leave a comment

Create an account

Sign up for a new account in our community. It's easy!

Register a new account

Sign in

Already have an account? Sign in here.

Sign In Now

×
×
  • Create New...