Wallfish 718 #51 Posted March 25, 2021 10 hours ago, CNew said: This is genius, I think it is worth a try! Take a look at your gear box and let me know if you want the gear. I can give it a shot first and let you know how it goes and just send the whole thing if it's good. You can keep your gear box to put a tire friction wheel on and make a mini bike with it! The gear teeth on the swap gear are wider than that chainsaw gear teeth are but the inner part of the chainsaw gear is wider than the teeth on it, so the thickness of both gears are the same but constructed different. I also have and old school die cast type gear that would fit a different type of gearbox. The diameter is smaller. I don't know the part numbers like David does to know what fits what so don't know if that can be used to flip a different gear box or not. Share this post Link to post Share on other sites
CNew 408 #52 Posted March 25, 2021 Either way sounds good to me. I can buy the gear off you and give it a try or if you want to try it first that’s great too. If it does work I’ll have to figure out how to get a tapered shaft made to fit up. As you also pointed out , the orientation of the gearbox being down vs up might be important. I need to verify that either orientation will line up properly. I’m going to look through all my stuff again tonight. I could swear I had a gear box or complete engine that had an external shaft gear box. I’ll let you know if I get lucky and find it. Share this post Link to post Share on other sites
expeatfarmer 591 #53 Posted March 25, 2021 I recently saw somebody using a portable drum winch powered by a small two stroke engine unfortunately I did not get close enough to see the make is there an O&R powered winch? Share this post Link to post Share on other sites
Wallfish 718 #54 Posted March 25, 2021 4 hours ago, expeatfarmer said: is there an O&R powered winch? Yes There' are pics here on the forum. One is a Warn capstan type winch. I have one called a Bee Jay winch. It uses a cable wire. And the newest type found which seems pretty rare, an Irvington Did it look like one of these? 9 hours ago, CNew said: I’ll have to figure out how to get a tapered shaft made to fit up A 1/2" regular O&R straight shaft correct? One side has a flat. I might have one of those around as well. They fit right on the tapered shafts. Long time ago I cut the shaft from a defunct TT generator to make a straight shaft. Share this post Link to post Share on other sites
CNew 408 #55 Posted March 26, 2021 3 hours ago, Wallfish said: I think it is likely 1/2”. I’ll have to look in my stuff as well. I had a shaft at one point but I think it might have been a smaller diameter. The compressor just arrived today. Unfortunately the aluminum casting foot on the bottom that works as a spacer on the base plate broke during shipping, or when the previous owner removed the electric motor. I’ll have to try to epoxy this and repair it. Share this post Link to post Share on other sites
Wallfish 718 #56 Posted March 26, 2021 Paul has some good detailed pics on pg1. It's an everyday O&R 1/2" shaft. Looking at the pics, it might be a problem to use that chainsaw box unless you're willing to rotate the engine to raise the shaft. Take a good look at it and line it up to see if it works. If you still want the gear it's yours. At least the whole thing didn't break off. Should be an easy fix 2 CNew and pmackellow reacted to this Share this post Link to post Share on other sites
factory 487 #57 Posted March 26, 2021 On 3/24/2021 at 10:36 AM, Wallfish said: Think this should solve your problem How about flipping it? Found this NOS gear sitting in the parts stash The shaft will be lower rather than up higher but it should work if you want to try flipping the PTO in your chainsaw case. I've never tried it but always wanted too. Well the bearings listed are the same for the Type 185 (chainsaw) and the early Type H, both use a pair of A-27-1 (single) bearings. The early Model H uses gears type A-62-2 (driven) & A-62-4 (pinion/clutch drum), both are still listed in the 1971 parts list. The Type 216 & 195 both use later gears of type A-62-14 (driven 66 tooth) & A-62-20 (pinion/clutch drum). There are different part numbers for the gear-case halves. The differences may be the taper & how far it the shaft sticks out once assembled, you may have to experiment and probably source or make a matching shaft extension for the taper if it needs one. David 2 CNew and pmackellow reacted to this Share this post Link to post Share on other sites
CNew 408 #58 Posted March 26, 2021 I’ll give this thing a good look tonight or this weekend now that the compressor unit is here and I can see how things line up, or don’t. I appreciate the offer on the gear and will let you know if it looks like the chainsaw gearbox might be a good option. 1 pmackellow reacted to this Share this post Link to post Share on other sites
factory 487 #59 Posted March 26, 2021 Interesting the base plate you have seems to be identical to the one used for the O&R version, even has the two extra holes for the vertical plate that the O&R engine attaches to, see post #12 in the this thread. David 1 pmackellow reacted to this Share this post Link to post Share on other sites
CNew 408 #60 Posted March 26, 2021 23 minutes ago, factory said: Interesting the base plate you have seems to be identical to the one used for the O&R version, even has the two extra holes for the vertical plate that the O&R engine attaches to, see post #12 in the this thread. David Interesting, wonder if they made this as more of a universal base to allow for different power setups. I forget what type of electric motor was on this particular one. It saved another $25 off the shipping by removing it. I’ll also have to make the mounting plate that the gearbox attaches to. 1 pmackellow reacted to this Share this post Link to post Share on other sites
CNew 408 #61 Posted March 26, 2021 Well, maybe some good news. I went through all my stuff and found my Type 150 engine. It has a gearbox with the PTO flipped. It also has an unusual spacer in place of one of the normal legs that attaches it to the engine. This leads me to believe I might be able to rotate the whole gearbox to point in the upward direction vs down like on the chainsaws. I’ll have to pull it off and try it to confirm. If it rotates ok then this might end up being the engine I use for the compressor project. I’ll scrounge up a different gas tank. This engine looks like it might have been set up on a trimmer or something. I also found a shaft that might work. Bad news is when I went to check the fit to the gear I found that the inner threads of the gear are stripped. Not sure if it can be re-threaded but I’ll have to give it a try. I’m not out of the woods yet for the gear and shaft. Share this post Link to post Share on other sites
CNew 408 #62 Posted March 27, 2021 On 2/5/2017 at 2:22 AM, pmackellow said: Getting on with it... Paul, Is it possible to get the dimensions for the gearbox mounting plate or now that the unit is all assembled I’m guessing it’s probably not very accessible. Share this post Link to post Share on other sites
pmackellow 2,738 #63 Posted March 27, 2021 If you mean the vertical black plate (photo 4 and 5), I should be able to get the overall dimensions, hole locations etc will be a bit more tricky now its assembled but I'll have a look for you Share this post Link to post Share on other sites
CNew 408 #64 Posted March 27, 2021 13 minutes ago, pmackellow said: If you mean the vertical black plate (photo 4 and 5), I should be able to get the overall dimensions, hole locations etc will be a bit more tricky now its assembled but I'll have a look for you Great, thank you. My hole pattern might vary a little anyway depending on what I can come up with for a gearbox so no worries if that’s tricky to get. Share this post Link to post Share on other sites
pmackellow 2,738 #65 Posted March 27, 2021 Just had a look, the plate is 130mm wide, 175mm tall, and the bottom lip is 25mm wide Hope that helps Share this post Link to post Share on other sites
CNew 408 #66 Posted March 27, 2021 Excellent - thank you! 1 pmackellow reacted to this Share this post Link to post Share on other sites
pmackellow 2,738 #67 Posted March 27, 2021 2 hours ago, CNew said: Excellent - thank you! No problem Share this post Link to post Share on other sites
CNew 408 #68 Posted March 28, 2021 In case anyone is curious what the inside of one of these compressors looks like. The diaphragm on this one is slightly deformed in one spot. It’s surprisingly pliable and looks like it should work ok if air doesn’t leak past the deformed area. I might try to make a new one or I might just leave it, not like this thing will get a lot of use. 2 factory and pmackellow reacted to this Share this post Link to post Share on other sites
factory 487 #69 Posted March 29, 2021 On 3/26/2021 at 11:39 PM, CNew said: Well, maybe some good news. I went through all my stuff and found my Type 150 engine. It has a gearbox with the PTO flipped. It also has an unusual spacer in place of one of the normal legs that attaches it to the engine. This leads me to believe I might be able to rotate the whole gearbox to point in the upward direction vs down like on the chainsaws. I’ll have to pull it off and try it to confirm. If it rotates ok then this might end up being the engine I use for the compressor project. I’ll scrounge up a different gas tank. This engine looks like it might have been set up on a trimmer or something. I also found a shaft that might work. Bad news is when I went to check the fit to the gear I found that the inner threads of the gear are stripped. Not sure if it can be re-threaded but I’ll have to give it a try. I’m not out of the woods yet for the gear and shaft. They did a range of engine with reverse position gearboxes, the 1961 info has some parts diagrams for the oldest ones. I think it might be the same casting, the spacer is where the carb would normally be and they machined the opposite side to the correct height to fit the carb. Here is a Type 157 I have with the same arrangement; David Share this post Link to post Share on other sites
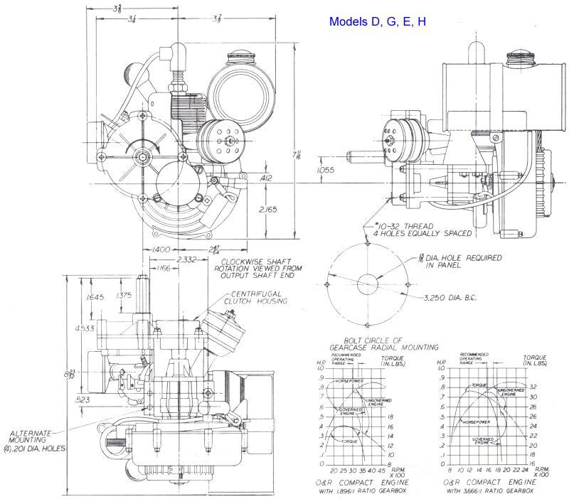
factory 487 #70 Posted March 29, 2021 On 3/27/2021 at 2:20 PM, CNew said: On 3/27/2021 at 2:05 PM, pmackellow said: If you mean the vertical black plate (photo 4 and 5), I should be able to get the overall dimensions, hole locations etc will be a bit more tricky now its assembled but I'll have a look for you Great, thank you. My hole pattern might vary a little anyway depending on what I can come up with for a gearbox so no worries if that’s tricky to get. You should be able to work out the height for the PTO to match the compressor (with the round spacer added), the parts list for the Orline compressor frame can be found in Section 4 of the manuals sticky thread. Here is the outline drawing that covers the Model H engine, you may need to rotate the gearbox mounting holes for the plate as per the original. Close-up of the gearbox mounting details, rotate as needed. On 3/27/2021 at 2:28 PM, pmackellow said: Just had a look, the plate is 130mm wide, 175mm tall, and the bottom lip is 25mm wide Hope that helps Needs remeasuring in the correct units, they wouldn't have used this metric nonsense. David Share this post Link to post Share on other sites
factory 487 #71 Posted March 29, 2021 On 3/26/2021 at 11:39 PM, CNew said: Well, maybe some good news. I went through all my stuff and found my Type 150 engine. It has a gearbox with the PTO flipped. It also has an unusual spacer in place of one of the normal legs that attaches it to the engine. This leads me to believe I might be able to rotate the whole gearbox to point in the upward direction vs down like on the chainsaws. I’ll have to pull it off and try it to confirm. If it rotates ok then this might end up being the engine I use for the compressor project. I’ll scrounge up a different gas tank. This engine looks like it might have been set up on a trimmer or something. Both your Type 150 engine & my Type 157 engine came from hedge cutters. David Share this post Link to post Share on other sites
CNew 408 #72 Posted March 29, 2021 Excellent, thank you for all the info David! I’m hoping I can make this engine work, assuming I can re—thread the gear. Still amazes me how much info you have access to for these O&Rs. Share this post Link to post Share on other sites
factory 487 #73 Posted March 29, 2021 Six months ago I couldn't have told you what either of those engines were from, the new information I acquired from @Webhead has a list with information on what most of these engines were used on. The gear should have a left hand thread for the shaft extension screw, part no. 26-9. David Share this post Link to post Share on other sites
pmackellow 2,738 #74 Posted March 29, 2021 Correct units ? I did use the correct units, thousandths of a meter, sorry metre ! Share this post Link to post Share on other sites
CNew 408 #75 Posted March 29, 2021 Good to know- I’ve tried both directions and can’t get anything to thread but I’ll take a close look. Share this post Link to post Share on other sites