Webhead 95 #1 Posted July 6, 2019 2 pmackellow and factory reacted to this Share this post Link to post Share on other sites
Stormin 4,458 #2 Posted July 6, 2019 Looks very nice. But I assume it's for display not use? Share this post Link to post Share on other sites
CNew 408 #3 Posted July 6, 2019 Wow, that’s incredible, way better than I even imagined! It looks like something from Terminator II... Thats an interesting carburetor as well. Thanks for posting the photos! Share this post Link to post Share on other sites
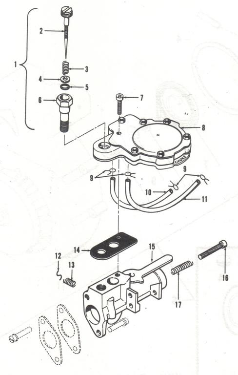
factory 487 #4 Posted July 7, 2019 That's very nice in Chrome, I want one , it must be hard to keep clean though. It must also be the engine you mentioned you had with the redesigned carb, it the first one I've seen on an engine, so can't imagine it was very successful. 14 hours ago, CNew said: Thats an interesting carburetor as well. It is shown in several brochures, including the AEP 13B one I added to the forum last month. Here is a diagram of it too, note: there are no further diagrams showing what is inside the diaphragm assembly or any parts breakdown for it, the extra section of tubing is used as a pressure line for the diaphragm pump (no primer button fitted). David Share this post Link to post Share on other sites
pmackellow 2,738 #5 Posted July 7, 2019 That is VERY nice ! Share this post Link to post Share on other sites
JUST O&R 237 #6 Posted July 11, 2019 I JUST STARTED MESSING WITH O&R A FEW YEARS BACK BUT THAT IS AWESOME . Share this post Link to post Share on other sites
Ronald 0 #7 Posted March 1, 2022 @Webhead Could you possibly post a photo of how your fuel lines are run on this saw? I'm working on the exact same one currently! Share this post Link to post Share on other sites